手机扫一扫

首页 > 電機產品 > 三菱伺服电机
MELSERVO-J4伺服驱动

产品特点

 与SSCNETⅢ/H兼容,通用(脉冲和模拟输入)接口。符合安全标准。2/3轴伺服放大器。

400万脉冲/转的编码器,200VAC等级和50W—7kW的产品范围。
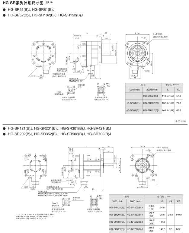
HG-KR/HG-MR/HG-SR系列。
4个马达系列(LM-H3/LM-U2/LM-F/LM-K2),可用于多种用途。
最适用于需要低速度、高转矩的应用。可提供4种不同的机架和12种马达。
  • 产品概要
  • 技术参数
  • 选型指南
  • 资料下载

图纸下载

本公司提供3D、CAD等图纸下载

咨询热线:400-8040668

我要咨询 了解更多